Solid End Mills

MP2SDB
(Ball nose, Short cut length, 2 flute, High strength)

MP2SDBR0150

Product Information

  • Excellent chipping resistance with a strong S curve cutting edge.
  • Ideal for semi finish machining of forging dies.

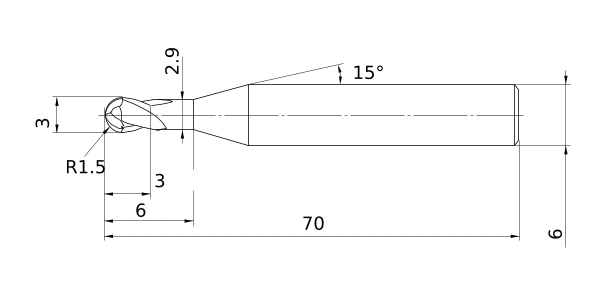
The actual product may differ from the displayed image.
For details, please check the dimensions below.

Type   [Expand ]

Type   [Expand ]

Diameter (Unit)
Stock
Unit of Length M
DC 3
DCON 6
DN 2.9
BHTA2 15°
LF 70
LU 6
APMX 3
FHA 30°
RE 1.5
Peripheral effective cutting edge count: ZEFP 2
R Tolerance - -0.01
R Tolerance + 0.01
Coated MS+
2D Model (DXF)
CAD data name Download
MP2SDBR0150
CAD

3D Light Model (STP,STL)
CAD data name Download
MP2SDBR0150
CAD CAD

Stock

:Inventory maintained.
:Non stock, produced to order only.
:Inventory maintained. To be replaced by new products.
:Inventory maintained in Japan.

Return to TOP

This website uses cookies in order to improve your experience and keep your session. By clicking on the 'I understand and accept' button on this page you consent the usage of cookies and accept our Privacy Policy .