Solid End Mills >iMX_C12T_C >IMX20C12T190R20T080C

Solid End Mills

iMX_C12T_C
(Corner radius, Taper head, Multi-flute, with coolant hole)

IMX20C12T190R20T080C

Product Information

  • Suitable for 3-dimensional free-form surface cutting such as blades.
  • High feed cutting is possible due to multiple cutting and wide chip pocket.

The actual product may differ from the displayed image.
For details, please check the dimensions below.

Type   [Expand ]

Type   [Expand ]

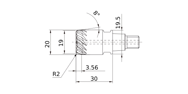
Diameter (Unit)
Name of Grade Carbide
Grade EP7020
Stock
Unit of Length M
DC 19
DCX 20
DCON 19.5
BHTA
LH 30
APMX 3.56
FHA 35°
RE 2
Peripheral effective cutting edge count: ZEFP 12
R Tolerance - -0.015
R Tolerance + 0.015
Max. Cutting EdgeDiameter Tolerance 0
Min. Cutting EdgeDiameter Tolerance -0.03
2D Model (DXF)
CAD data name Download
IMX20C12T190R20T080C
CAD

3D Light Model (STP,STL)
CAD data name Download
IMX20C12T190R20T080C
CAD CAD

Stock

:Inventory maintained.
:Non stock, produced to order only.
:Inventory maintained. To be replaced by new products.
:Inventory maintained in Japan.

Return to TOP

This website uses cookies in order to improve your experience and keep your session. By clicking on the 'I understand and accept' button on this page you consent the usage of cookies and accept our Privacy Policy .