Small Tools >C >C04FR-BLS

Small Tools

C
(Micro Mini)

C04FR-BLS

Product Information

  • it covers a wide cutting range (threading, grooving copying, etc.).
  • SOLID CARBIDE
  • l/d is 5 times the diameter.
  • Cutting edge can be shaped according to the application.

The actual product may differ from the displayed image.
For details, please check the dimensions below.

Type   [Expand ]

Type   [Expand ]

Diameter (Unit)
Name of Grade Carbide
Grade TF15
Hand R
Stock
Unit of Length M
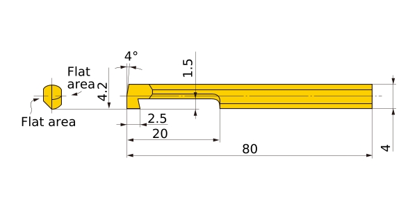
DMIN 4.2
DCON 4
LF 80
LDRED 20
CW 2.5
WF2 1.5
Peripheral effective cutting edge count: ZEFP 1
2D Model (DXF)
CAD data name Download
MP3XBR0050N025T10
CAD

3D Light Model (STP,STL)
CAD data name Download
MP3XBR0050N025T10
CAD CAD

Stock

:Inventory maintained.
:Non stock, produced to order only.
:Inventory maintained. To be replaced by new products.
:Inventory maintained in Japan.

Return to TOP

This website uses cookies in order to improve your experience and keep your session. By clicking on the 'I understand and accept' button on this page you consent the usage of cookies and accept our Privacy Policy .