Solid End Mills

VFR2SSB
(Ball nose, Short cut length, 2 flute, Short shank)

VFR2SSBR0050

Product Information

  • For roughing and high precision pre-finishing and finishing of high hardness materials.

The actual product may differ from the displayed image.
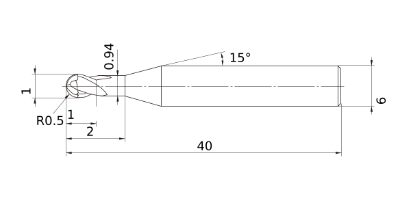
For details, please check the dimensions below.

Type   [Expand ]

Type   [Expand ]

Diameter (Unit)
Stock
Unit of Length M
DC 1
DCON 6
DN 0.94
BHTA2 15°
LF 40
LU 2
APMX 1
FHA 20°
RE 0.5
Peripheral effective cutting edge count: ZEFP 2
R Tolerance - -0.005
R Tolerance + 0.005
Coated VFR
2D Model (DXF)
CAD data name Download
VFR2SSBR0050
CAD

3D Light Model (STP,STL)
CAD data name Download
VFR2SSBR0050
CAD CAD

Stock

:Inventory maintained.
:Non stock, produced to order only.
:Inventory maintained. To be replaced by new products.
:Inventory maintained in Japan.

Return to TOP

This website uses cookies in order to improve your experience and keep your session. By clicking on the 'I understand and accept' button on this page you consent the usage of cookies and accept our Privacy Policy .