Solid End Mills >VQT5MVRB >VQT5MVRB200R400N60C

Solid End Mills

VQT5MVRB
(Corner radius, Medium cut length, 5 flute, Irregular helix flutes, With coolant hole)

VQT5MVRB200R400N60C

Product Information

  • Flute geometry suitable for deep slotting and effective chip evacuation.
  • Sharp cutting edges provide long tool life when machining titanium alloys.

The actual product may differ from the displayed image.
For details, please check the dimensions below.

Type   [Expand ]

Type   [Expand ]

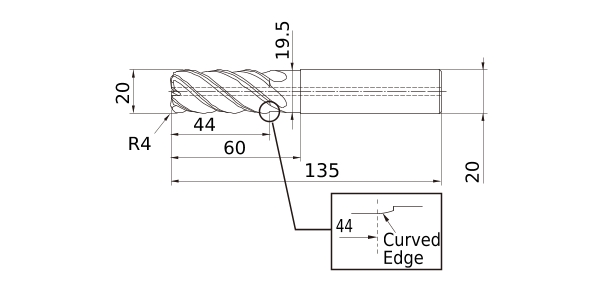
Diameter (Unit)
Stock
Unit of Length M
DC 20
DCON 20
DN 19.5
LF 135
LU 60
APMX 44
RE 4
Peripheral effective cutting edge count: ZEFP 5
Max. Cutting EdgeDiameter Tolerance 0
Min. Cutting EdgeDiameter Tolerance -0.04
Coated VQ

Stock

:Inventory maintained.
:Non stock, produced to order only.
:Inventory maintained. To be replaced by new products.
:Inventory maintained in Japan.

Return to TOP

This website uses cookies in order to improve your experience and keep your session. By clicking on the 'I understand and accept' button on this page you consent the usage of cookies and accept our Privacy Policy .