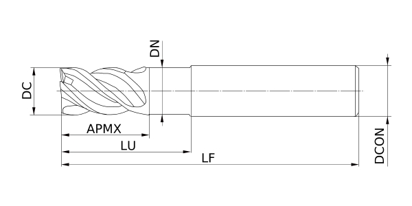
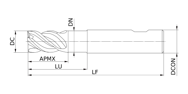
Solid End Mills > MPMHV_W
MPMHV_W
(End mill, Medium cut length, 2.5xDC Neck recess, 4 Flute irregular helix)

The actual product may differ from the displayed image.
For details, please check the dimensions below.
|
|
Stock
:Inventory maintained.
:Non stock, produced to order only.
:Inventory maintained. To be replaced by new products.
:Inventory maintained in Japan.
Recommended Cutting Condition