Solid End Mills >VQFDRB >VQFDRBD0400N160

Solid End Mills

VQFDRB
(DUPLEX CORNER RADIUS END MILL FOR HIGH SPEED CUTTING)

VQFDRBD0400N160

Product Information

  • Duplex corner radius type allows a higher, more efficient feed rate.
  • High feed cutting realized through the use of multiple flutes.

The actual product may differ from the displayed image.
For details, please check the dimensions below.

Type   [Expand ]

Type   [Expand ]

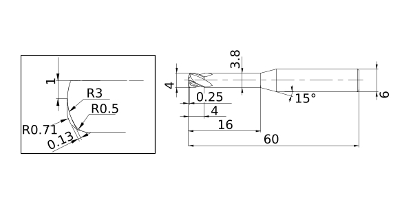
Diameter (Unit)
Stock
Unit of Length M
A3 4
DC 4
DCON 6
DCIN 1
DN 3.8
BHTA2 15°
RMPX 1.9
LF 60
LU 16
S10 0.13
APMX 0.25
FHA 30°
RE1 0.71
RE2 0.5
RE3 3
Peripheral effective cutting edge count: ZEFP 4
Max. Cutting EdgeDiameter Tolerance 0
Min. Cutting EdgeDiameter Tolerance -0.02
Coated VQ
2D Model (DXF)
CAD data name Download
VQFDRBD0400N160
CAD

3D Light Model (STP,STL)
CAD data name Download
VQFDRBD0400N160
CAD

Stock

:Inventory maintained.
:Non stock, produced to order only.
:Inventory maintained. To be replaced by new products.
:Inventory maintained in Japan.

Return to TOP

This website uses cookies in order to improve your experience and keep your session. By clicking on the 'I understand and accept' button on this page you consent the usage of cookies and accept our Privacy Policy .