Solid End Mills

iMX_B4WH_S
(Lollipop head, 4 flute, with coolant holes)

IMX12B4WH16008S

Product Information

  • Optimal choice for machining undercut and complex shapes when using a 5-axis machine.
  • Coolant thru design allows for effective chip evacuation.

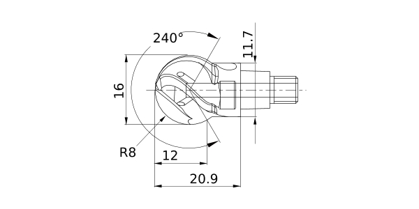
The actual product may differ from the displayed image.
For details, please check the dimensions below.

Type   [Expand ]

Type   [Expand ]

Diameter (Unit)
Name of Grade Carbide
Grade EP7020
Stock
Unit of Length M
DC 16
DCON 11.7
LH 20.9
APMX 12
RE 8
Peripheral effective cutting edge count: ZEFP 4
R Tolerance - -0.015
R Tolerance + 0.015
2D Model (DXF)
CAD data name Download
IMX12B4WH16008S
CAD

3D Light Model (STP,STL)
CAD data name Download
IMX12B4WH16008S
CAD

Stock

:Inventory maintained.
:Non stock, produced to order only.
:Inventory maintained. To be replaced by new products.
:Inventory maintained in Japan.

Return to TOP

This website uses cookies in order to improve your experience and keep your session. By clicking on the 'I understand and accept' button on this page you consent the usage of cookies and accept our Privacy Policy .