Solid End Mills >DLC3SARB >DLC3SARB120R200N36C

Solid End Mills

DLC3SARB
(Corner radius end mill, Short cut length, with multiple internal through coolant holes, 3 flute)

DLC3SARB120R200N36C

Product Information

  • Stability and reliability even when slotting, ramping and plunging.
  • The cross sectional geometry of the flutes is perfect for efficient chip discharge.

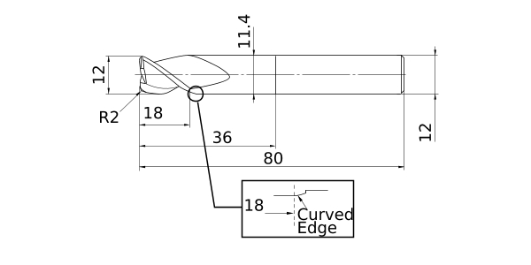
The actual product may differ from the displayed image.
For details, please check the dimensions below.

Type   [Expand ]

Type   [Expand ]

Diameter (Unit)
Stock
Unit of Length M
DC 12
DCON 12
DN 11.4
LF 80
LU 36
APMX 18
FHA 37.5°
RE 2
Peripheral effective cutting edge count: ZEFP 3
Max. Cutting EdgeDiameter Tolerance 0
Min. Cutting EdgeDiameter Tolerance -0.02
Coated DLC
2D Model (DXF)
CAD data name Download
DLC3SARB120R200N36C
CAD

3D Light Model (STP,STL)
CAD data name Download
DLC3SARB120R200N36C
CAD

Stock

:Inventory maintained.
:Non stock, produced to order only.
:Inventory maintained. To be replaced by new products.
:Inventory maintained in Japan.

Return to TOP

This website uses cookies in order to improve your experience and keep your session. By clicking on the 'I understand and accept' button on this page you consent the usage of cookies and accept our Privacy Policy .