Solid End Mills > VQ3XL
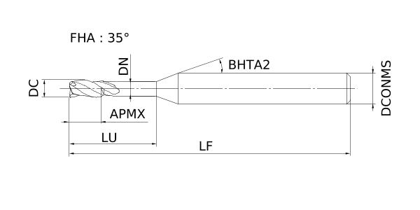
VQ3XL
(End mill, Short cut length, Long neck, 3 flute)

The actual product may differ from the displayed image.
For details, please check the dimensions below.

Type1 [Expand]
|
|
Stock
:Inventory maintained.
:Non stock, produced to order only.
:Inventory maintained. To be replaced by new products.
:Inventory maintained in Japan.