Drills >MZE_MZS >MZE0200MA

Drills

MZE_MZS
 

MZE0200MA

Product Information

  • Excellent chip disposal.
  • Helical through coolant hole enables high speed machining (MZS type).

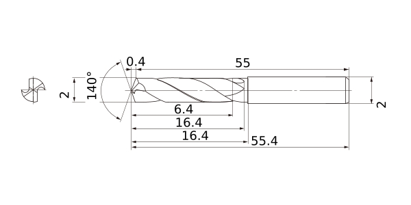
The actual product may differ from the displayed image.
For details, please check the dimensions below.

Type   [Expand ]

Type   [Expand ]

Diameter (Unit)
Name of Grade Carbide
Grade VP15TF
Stock
Unit of Length M
DC 2
DCON 2
SIG 140°
LF 55
OAL 55.4
LH 16.4
LU 6.4
LCF 16.4
FHA 30°
ld 3
PL 0.4
Effective Cutting Edge 2
Max. Cutting EdgeDiameter Tolerance 0
Min. Cutting EdgeDiameter Tolerance -0.014
Type of Coolant External
2D Model (DXF)
CAD data name Download
MZE0200MA
CAD

3D Light Model (STP,STL)
CAD data name Download
MZE0200MA
CAD

Stock

:Inventory maintained in Japan.
:Non stock, produced to order only.
:Inventory maintained in Japan. To be replaced by new products.
:-

Return to TOP

This website uses cookies in order to improve your experience and keep your session. By clicking on the 'I understand and accept' button on this page you consent the usage of cookies and accept our Privacy Policy .