Drills >VAPDMSUS >VAPDMSUSD0075

Drills

VAPDMSUS
(Medium, High precision, For stainless steel)

VAPDMSUSD0075

Product Information

  • Our new design and the violet coating enable high efficiency drilling and long tool life for processing stainless steels.

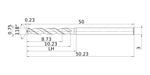
The actual product may differ from the displayed image.
For details, please check the dimensions below.

Type   [Expand ]

Type   [Expand ]

Diameter (Unit)
Stock
Unit of Length M
DC 0.75
DCON 3
SIG 118°
LF 50
OAL 50.23
LU 8.73
LCF 10.23
PL 0.23
Effective Cutting Edge 2
Max. Cutting EdgeDiameter Tolerance 0
Min. Cutting EdgeDiameter Tolerance -0.014
Type of Coolant External

Stock

:Inventory maintained in Japan.
:Non stock, produced to order only.
:Inventory maintained in Japan. To be replaced by new products.
:-

Return to TOP

This website uses cookies in order to improve your experience and keep your session. By clicking on the 'I understand and accept' button on this page you consent the usage of cookies and accept our Privacy Policy .