Drills >VAPDSCB >VAPDSCBD0310

Drills

VAPDSCB
(Short flute length, High precision, For counter boring)

VAPDSCBD0310

Product Information

  • Unique geometry offers high efficiency counter boring. Excellent chip breaking and flat counterbored surface.

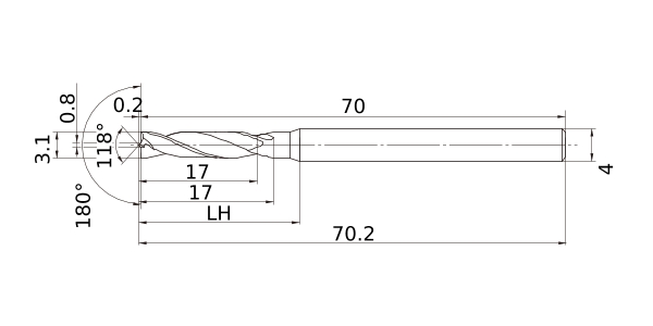
The actual product may differ from the displayed image.
For details, please check the dimensions below.

Type   [Expand ]

Type   [Expand ]

Diameter (Unit)
Stock
Unit of Length M
DC1 3.1
DC2 0.8
DCON 4
SIG1 180°
SIG2 118°
LF 70
OAL 70.2
LU 17
LCF 17
PL 0.2
Effective Cutting Edge 2
Max. Cutting EdgeDiameter Tolerance 0
Min. Cutting EdgeDiameter Tolerance -0.018
Type of Coolant External

Stock

:Inventory maintained in Japan.
:Non stock, produced to order only.
:Inventory maintained in Japan. To be replaced by new products.
:-

Return to TOP

This website uses cookies in order to improve your experience and keep your session. By clicking on the 'I understand and accept' button on this page you consent the usage of cookies and accept our Privacy Policy .