Drills >DCBSS >DCBSSD0006

Drills

DCBSS
(Drill for hard brittle materials)

DCBSSD0006

Product Information

  • For machining materials such as sintered ceramics and quartz glass that cannot be machined with conventional drills.

The actual product may differ from the displayed image.
For details, please check the dimensions below.

Type   [Expand ]

Type   [Expand ]

Diameter (Unit)
Stock
Unit of Length M
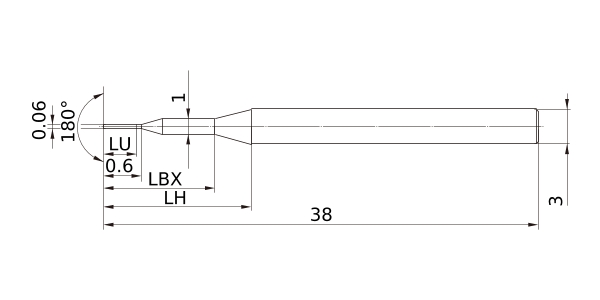
DC 0.06
DCON 3
SIG 180°
OAL 38
LCF 0.6
S10 1
Effective Cutting Edge 2
Max. Cutting EdgeDiameter Tolerance 0
Min. Cutting EdgeDiameter Tolerance -0.009
Type of Coolant External

Stock

:Inventory maintained in Japan.
:Non stock, produced to order only.
:Inventory maintained in Japan. To be replaced by new products.
:-

Return to TOP

This website uses cookies in order to improve your experience and keep your session. By clicking on the 'I understand and accept' button on this page you consent the usage of cookies and accept our Privacy Policy .