Drills >SEPDM >SEPDMD0110

Drills

SEPDM
(SE High Precision Drill Series)

SEPDMD0110

Product Information

  • Proprietary D-STH surface treatment provides sharp cutting edge, excellent welding resistance and smooth chip discharge.

The actual product may differ from the displayed image.
For details, please check the dimensions below.

Type   [Expand ]

Type   [Expand ]

Diameter (Unit)
Stock
Unit of Length M
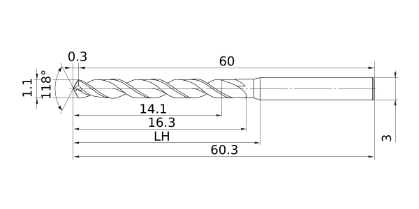
DC 1.1
DCON 3
SIG 118°
LF 60
OAL 60.3
LU 14.1
LCF 16.3
PL 0.3
Effective Cutting Edge 2
Max. Cutting EdgeDiameter Tolerance 0
Min. Cutting EdgeDiameter Tolerance -0.006
Type of Coolant External

Stock

:Inventory maintained in Japan.
:Non stock, produced to order only.
:Inventory maintained in Japan. To be replaced by new products.
:-

Return to TOP

This website uses cookies in order to improve your experience and keep your session. By clicking on the 'I understand and accept' button on this page you consent the usage of cookies and accept our Privacy Policy .