Drills >DLE_60_90 >DLE0250S030P090

Drills

DLE_60_90
(Leading Drill Series)

DLE0250S030P090

Product Information

  • The thinning pocket promotes smooth chip discharge and brings excellent hole position accuracy.
  • Sharp cutting edge and high fracture resistance.
  • Two-step point angles
  • FOR AUTOMATIC LATHES

The actual product may differ from the displayed image.
For details, please check the dimensions below.

Type   [Expand ]

Type   [Expand ]

Diameter (Unit)
Name of Grade Carbide
Grade DP102A
Stock
Unit of Length M
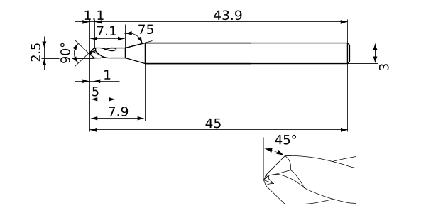
DC 2.5
DCON 3
KAPR 45°
SIG 90°
LF 43.9
OAL 45
LH 7.9
LU 1
LCF 5
S10 7.1
FHA 25°
PL 1.1
Effective Cutting Edge 2
Type of Coolant External
2D Model (DXF)
CAD data name Download
DLE0250S030P090
CAD

3D Light Model (STP,STL)
CAD data name Download
DLE0250S030P090
CAD

Stock

:Inventory maintained in Japan.
:Non stock, produced to order only.
:Inventory maintained in Japan. To be replaced by new products.
:-

Return to TOP

This website uses cookies in order to improve your experience and keep your session. By clicking on the 'I understand and accept' button on this page you consent the usage of cookies and accept our Privacy Policy .