Indexable End Mills

OCTACUT-B
 

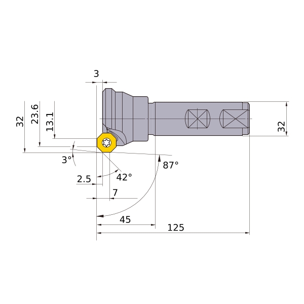
OCTACUT322S32RB

Product Information

  • 20°positive insert.
  • Compatible with 8-corner use insert and round type insert.
  • Capable of multiple functions.

The actual product may differ from the displayed image.
For details, please check the dimensions below.

Type   [Expand ]

Type   [Expand ]

Diameter (Unit)
Hand R
Stock
Unit of Length M
A1 2.5
AZ 3
DC 23.6
DCX 32
DCON 32
KAPR 42°
LF 125
LH 45
APMX 7
DCINX 13.1
Cutting item count: CICT 2
Peripheral effective cutting edge count: ZEFP 2
2D Model (DXF)
CAD data name Download
OCTACUT322S32RB
CAD

3D Detail Model (STP,STL)
CAD data name Download
OCTACUT322S32RB
CAD

3D Light Model (STP,STL)
CAD data name DC Download
OCTACUT322S32RB_MD12_7
12.7 CAD CAD
OCTACUT322S32RB_MD12_95
12.95 CAD CAD

Stock

:Inventory maintained in Japan.
:Non stock, produced to order only.
:Inventory maintained in Japan. To be replaced by new products.
:-

Return to TOP

This website uses cookies in order to improve your experience and keep your session. By clicking on the 'I understand and accept' button on this page you consent the usage of cookies and accept our Privacy Policy .