Indexable End Mills >ARX >ARX30R173M08A30

Indexable End Mills

ARX
 

ARX30R173M08A30

Product Information

  • Standardization of coolant holes.
  • 15°positive, high tolerance M-class insert

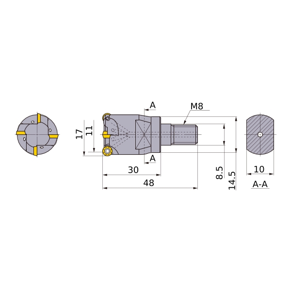
The actual product may differ from the displayed image.
For details, please check the dimensions below.

Type   [Expand ]

Type   [Expand ]

Diameter (Unit)
Hand R
Stock
Unit of Length M
DC 11
DCX 17
DCON 8.5
DCSFMS 14.5
LF 30
OAL 48
S10 10
APMX 3
CRKS M8
Cutting item count: CICT 3
Peripheral effective cutting edge count: ZEFP 3
2D Model (DXF)
CAD data name Download
ARX30R173M08A30
CAD

3D Detail Model (STP,STL)
CAD data name Download
ARX30R173M08A30
CAD

3D Light Model (STP,STL)
CAD data name RE Download
ARX30R173M08A30_MR3
3 CAD CAD

Stock

:Inventory maintained in Japan.
:Non stock, produced to order only.
:Inventory maintained in Japan. To be replaced by new products.
:-

Return to TOP

This website uses cookies in order to improve your experience and keep your session. By clicking on the 'I understand and accept' button on this page you consent the usage of cookies and accept our Privacy Policy .