Face Cutter >FF3000 >FF3000R1002K

Face Cutter

FF3000
(GENERAL HIGH FEED FINISHING)

FF3000R1002K

Product Information

  • 11°positive insert.
  • 1000-3000mm/min high feed machining.
  • For finishing of steel machining.
  • Adjustable cutting edge run-out function.

The actual product may differ from the displayed image.
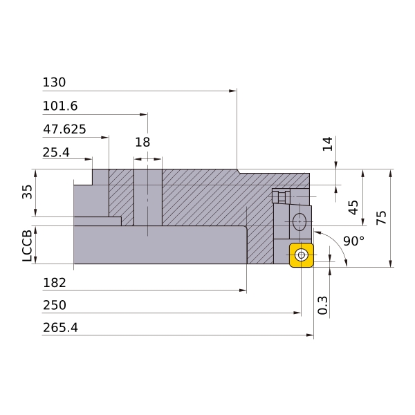
For details, please check the dimensions below.

Type   [Expand ]

Type   [Expand ]

Diameter (Unit)
Hand R
Stock
Unit of Length M
DC 250
DCX 265.4
DCON 47.625
DCSFMS 130
DAH 18
DCCB 182
KAPR 90°
L8 14
LF 75
CBDP 45
KWW 25.4
APMX 0.3
GAMP +5°
GAMF +15°
WT 19.5
DBC 101.6
Peripheral effective cutting edge count: ZEFP 2
3D Detail Model (STP,STL)
CAD data name Download
FF3000R1002K
CAD

3D Light Model (STP,STL)
CAD data name Download
FF3000R1002K_
CAD CAD

Stock

:Inventory maintained in Japan.
:Non stock, produced to order only.
:Inventory maintained in Japan. To be replaced by new products.
:-

Return to TOP

This website uses cookies in order to improve your experience and keep your session. By clicking on the 'I understand and accept' button on this page you consent the usage of cookies and accept our Privacy Policy .