Face Cutter >AHX640W >AHX640WR16022F

Face Cutter

AHX640W
(HIGH FEED CUTTING FOR CAST IRON)

AHX640WR16022F

Product Information

  • Heptagonal double-sided insert.
  • Economical 14 corner use.
  • Fine pitch design allows high feed milling.

The actual product may differ from the displayed image.
For details, please check the dimensions below.

Type   [Expand ]

Type   [Expand ]

Diameter (Unit)
Hand R
Stock
Unit of Length M
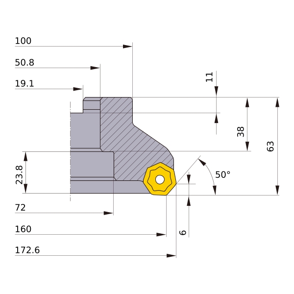
DC 160
DCX 172.6
DCON 50.8
DCSFMS 100
DCCB 72
KAPR 50°
L8 11
LF 63
CBDP 38
LCCB 23.8
KWW 19.1
APMX 6
GAMP -6°
GAMF -4°
WT 5.6
Peripheral effective cutting edge count: ZEFP 22
2D Model (DXF)
CAD data name Download
AHX640WR16022F
CAD

3D Detail Model (STP,STL)
CAD data name Download
AHX640WR16022F
CAD

3D Light Model (STP,STL)
CAD data name RE Download
AHX640WR16022F_MR0_8
0.8 CAD CAD

Stock

:Inventory maintained in Japan.
:Non stock, produced to order only.
:Inventory maintained in Japan. To be replaced by new products.
:-

Return to TOP

This website uses cookies in order to improve your experience and keep your session. By clicking on the 'I understand and accept' button on this page you consent the usage of cookies and accept our Privacy Policy .