Face Cutter >ASX445_MM >ASX445-200C12R

Face Cutter

ASX445_MM
(GENERAL CUTTING)

ASX445-200C12R

Product Information

  • Precise but inexpensive molded type 20° positive insert.
  • Screw-on type.
  • A wide range of chip breakers.
  • High rigidity due to employment of a carbide shim.

The actual product may differ from the displayed image.
For details, please check the dimensions below.

Type   [Expand ]

Type   [Expand ]

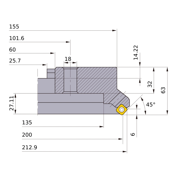
Diameter (Unit)
Hand R
Stock
Unit of Length M
DC 200
DCX 212.9
DCON 60
DCSFMS 155
DAH 18
DCCB 135
KAPR 45°
L8 14.22
LF 63
CBDP 32
LCCB 27.11
KWW 25.7
APMX 6
GAMP +23°
GAMF -10°
WT 5.8
DBC 101.6
Peripheral effective cutting edge count: ZEFP 12
RPMX 9000
2D Model (DXF)
CAD data name Download
ASX445-200C12R
CAD

3D Detail Model (STP,STL)
CAD data name Download
ASX445-200C12R
CAD

3D Light Model (STP,STL)
CAD data name RE Download
ASX445-200C12R_MR1_5
1.5 CAD CAD

Stock

:Inventory maintained in Japan.
:Non stock, produced to order only.
:Inventory maintained in Japan. To be replaced by new products.
:-

Return to TOP

This website uses cookies in order to improve your experience and keep your session. By clicking on the 'I understand and accept' button on this page you consent the usage of cookies and accept our Privacy Policy .