Face Cutter >AHX640S >AHX640SR20008KN

Face Cutter

AHX640S
(GENERAL CUTTING)

AHX640SR20008KN

Product Information

  • Heptagonal double-sided insert.
  • Economical 14 corner use.
  • Fine pitch design allows high feed milling.

The actual product may differ from the displayed image.
For details, please check the dimensions below.

Type   [Expand ]

Type   [Expand ]

Diameter (Unit)
Hand R
Stock
Unit of Length M
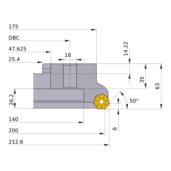
DC 200
DCX 212.6
DCON 47.625
DCSFMS 175
DAH 18
DCCB 140
KAPR 50°
L8 14.22
LF 63
CBDP 35
LCCB 26.2
KWW 25.4
APMX 6
GAMP -6°
GAMF -5°
WT 8.2
Peripheral effective cutting edge count: ZEFP 8
2D Model (DXF)
CAD data name Download
AHX640SR20008KN
CAD

3D Detail Model (STP,STL)
CAD data name Download
AHX640SR20008KN
CAD

3D Light Model (STP,STL)
CAD data name RE Download
AHX640SR20008KN_MR0_8
0.8 CAD CAD
AHX640SR20008KN_MR1_2
1.2 CAD CAD

Stock

:Inventory maintained in Japan.
:Non stock, produced to order only.
:Inventory maintained in Japan. To be replaced by new products.
:-

Return to TOP

This website uses cookies in order to improve your experience and keep your session. By clicking on the 'I understand and accept' button on this page you consent the usage of cookies and accept our Privacy Policy .