Face Cutter >OCTACUT_MM >OCTACUT1006AR

Face Cutter

OCTACUT
 

OCTACUT1006AR

Product Information

  • Small insert type.
  • Multi functional milling.
  • standerd insert
  • 20°positive insert.
  • Compatible with 8-corner use insert and round type insert.
  • Capable of multiple functions.

The actual product may differ from the displayed image.
For details, please check the dimensions below.

Type   [Expand ]

Type   [Expand ]

Diameter (Unit)
Hand R
Stock
Unit of Length M
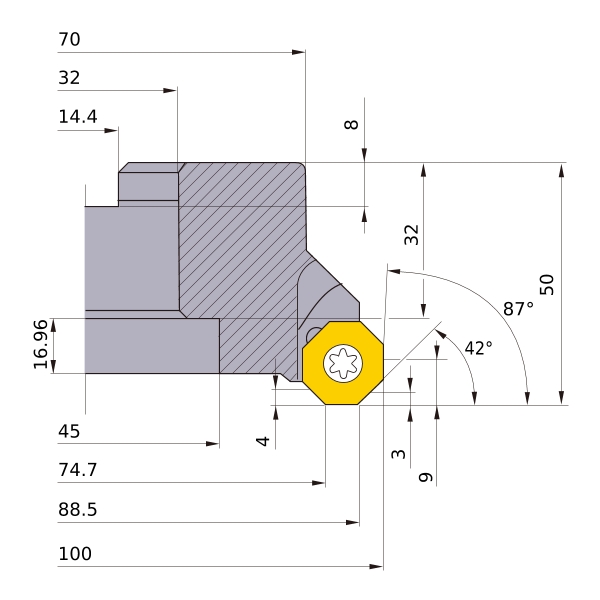
A1 3
AZ 4
DC 88.5
DCX 100
DCON 32
DCSFMS 70
DCCB 45
KAPR 42°
L8 8
LF 50
CBDP 32
LCCB 16.96
KWW 14.4
APMX 9
DCINX 74.7
GAMP 13°
GAMF -4°
WT 1.6
Peripheral effective cutting edge count: ZEFP 6
2D Model (DXF)
CAD data name Download
OCTACUT1006AR
CAD

3D Detail Model (STP,STL)
CAD data name Download
OCTACUT1006AR
CAD

3D Light Model (STP,STL)
CAD data name DC Download
OCTACUT1006AR_MD17
17 CAD CAD
OCTACUT1006AR_MD17_25
17.25 CAD CAD

Stock

:Inventory maintained in Japan.
:Non stock, produced to order only.
:Inventory maintained in Japan. To be replaced by new products.
:-

Return to TOP

This website uses cookies in order to improve your experience and keep your session. By clicking on the 'I understand and accept' button on this page you consent the usage of cookies and accept our Privacy Policy .