Face Cutter >WSX445 >WSX445R12508EA

Face Cutter

WSX445
(GENERAL CUTTING)

WSX445R12508EA

Product Information

  • Double sided Z Geometry.
  • Smooth chip discharge.

The actual product may differ from the displayed image.
For details, please check the dimensions below.

Type   [Expand ]

Type   [Expand ]

Diameter (Unit)
Hand R
Stock
Unit of Length M
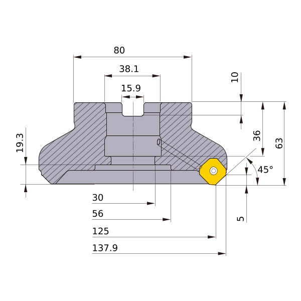
DC 125
DCX 137.9
DCON 38.1
DCSFMS 80
DAH 30
DCCB 56
KAPR 45°
L8 10
LF 63
CBDP 36
LCCB 19.3
KWW 15.9
APMX 5
GAMP -6°
GAMF -10°
WT 3.13
Peripheral effective cutting edge count: ZEFP 8
2D Model (DXF)
CAD data name Download
WSX445R12508EA
CAD

3D Detail Model (STP,STL)
CAD data name Download
WSX445R12508EA
CAD

3D Light Model (STP,STL)
CAD data name RE Download
WSX445R12508EA_MR1_2
1.2 CAD CAD

Stock

:Inventory maintained in Japan.
:Non stock, produced to order only.
:Inventory maintained in Japan. To be replaced by new products.
:-

Return to TOP

This website uses cookies in order to improve your experience and keep your session. By clicking on the 'I understand and accept' button on this page you consent the usage of cookies and accept our Privacy Policy .