Face Cutter >WSX445 >WSX445R25010KN

Face Cutter

WSX445
(GENERAL CUTTING)

WSX445R25010KN

Product Information

  • Double sided Z Geometry.
  • Smooth chip discharge.

The actual product may differ from the displayed image.
For details, please check the dimensions below.

Type   [Expand ]

Type   [Expand ]

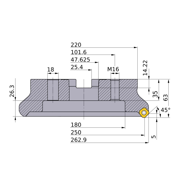
Diameter (Unit)
Hand R
Stock
Unit of Length M
DC 250
DCX 262.9
DCON 47.625
DCSFMS 220
DAH 18
DCCB 180
KAPR 45°
L8 14.22
LF 63
CBDP 35
LCCB 26.3
KWW 25.4
APMX 5
GAMP -6°
GAMF -10°
WT 13.1
CRKS M16
DBC 101.6
Peripheral effective cutting edge count: ZEFP 10
3D Detail Model (STP,STL)
CAD data name Download
WSX445R25010KN
CAD

3D Light Model (STP,STL)
CAD data name RE Download
WSX445R25010KN_MR1_2
1.2 CAD

Stock

:Inventory maintained in Japan.
:Non stock, produced to order only.
:Inventory maintained in Japan. To be replaced by new products.
:-

Return to TOP

This website uses cookies in order to improve your experience and keep your session. By clicking on the 'I understand and accept' button on this page you consent the usage of cookies and accept our Privacy Policy .