Face Cutter >WSX445 >WSX445R31514PN

Face Cutter

WSX445
(GENERAL CUTTING)

WSX445R31514PN

Product Information

  • Double sided Z Geometry.
  • Smooth chip discharge.

The actual product may differ from the displayed image.
For details, please check the dimensions below.

Type   [Expand ]

Type   [Expand ]

Diameter (Unit)
Hand R
Stock
Unit of Length M
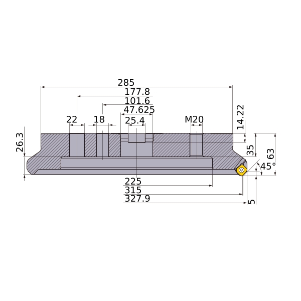
DC 315
DCX 327.9
DCON 47.625
DCSFMS 285
DAH1 22
DAH2 18
DCCB 225
KAPR 45°
L8 14.22
LF 63
CBDP 35
LCCB 26.3
KWW 25.4
APMX 5
GAMP -6°
GAMF -10°
WT 21.5
CRKS M20
DBC1 177.8
DBC2 101.6
Peripheral effective cutting edge count: ZEFP 14
3D Detail Model (STP,STL)
CAD data name Download
WSX445R31514PN
CAD

3D Light Model (STP,STL)
CAD data name RE Download
WSX445R31514PN_MR1_2
1.2 CAD

Stock

:Inventory maintained in Japan.
:Non stock, produced to order only.
:Inventory maintained in Japan. To be replaced by new products.
:-

Return to TOP

This website uses cookies in order to improve your experience and keep your session. By clicking on the 'I understand and accept' button on this page you consent the usage of cookies and accept our Privacy Policy .