Face Cutter >ARP >ARP6PR10009DA

Face Cutter

ARP
(Round insert cutter for difficult-to-cut materials)

ARP6PR10009DA

Product Information

  • High runout accuracy when indexing inserts.
  • Strong clamping system
  • Standardized stock of extra fine pitch.

The actual product may differ from the displayed image.
For details, please check the dimensions below.

Type   [Expand ]

Type   [Expand ]

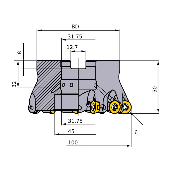
Diameter (Unit)
Hand R
Stock
Unit of Length M
A1 2.5
AZ 2.5
DC 88
DCX 100
DCON 31.75
DCSFMS 70
DAH 31.75
DCCB 45
RMPX 1.7°
L8 8
LF 50
CBDP 32
KWW 12.7
APMX 6
GAMP +4°
GAMF -6°
WT 1.38
R 6
Peripheral effective cutting edge count: ZEFP 9
2D Model (DXF)
CAD data name Download
ARP6PR10009DA
CAD

3D Detail Model (STP,STL)
CAD data name Download
ARP6PR10009DA
CAD

3D Light Model (STP,STL)
CAD data name RE Download
ARP6PR10009DA_MR6
6 CAD CAD

Stock

:Inventory maintained in Japan.
:Non stock, produced to order only.
:Inventory maintained in Japan. To be replaced by new products.
:-

Return to TOP

This website uses cookies in order to improve your experience and keep your session. By clicking on the 'I understand and accept' button on this page you consent the usage of cookies and accept our Privacy Policy .