Grooving GY Series

GYH90A_B
(90° type holder)

2E1R3D2

Product Information

  • Highly reliable insert clamping
  • High accuracy, long life inserts for a wide variety of machining applications
  • Innovative Tri Lock System
  • Dimensions shown are when the gauge insert is used.

The actual product may differ from the displayed image.
For details, please check the dimensions below.

Type   [Expand ]

Type   [Expand ]

Diameter (Unit)
Hand R
Stock
Unit of Length M
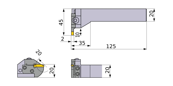
CUTDIA 20
B 20
LF 125
LH 35
CDX 10
WF 45
H 20
HF 20
CW 2
Peripheral effective cutting edge count: ZEFP 1
Modular Holder GYHR2020K90-M20L
Modular Blade GYM20LA-D10
2D Model (DXF)
CAD data name Download
2E1R3D2
CAD

3D Detail Model (STP,STL)
CAD data name Download
2E1R3D2
CAD

Stock

:Inventory maintained in Japan.
:Non stock, produced to order only.
:Inventory maintained in Japan. To be replaced by new products.
:-

Return to TOP

This website uses cookies in order to improve your experience and keep your session. By clicking on the 'I understand and accept' button on this page you consent the usage of cookies and accept our Privacy Policy .