Solid End Mills >MS2XL >MS2XLD0030N020

Solid End Mills

MS2XL
(End mill, Short cut length, 2 flute, Long neck)

MS2XLD0030N020

Product Information

  • 2 flute long neck end mill.

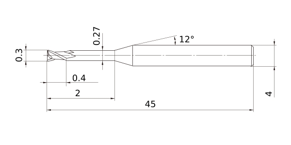
The actual product may differ from the displayed image.
For details, please check the dimensions below.

Type   [Expand ]

Type   [Expand ]

Diameter (Unit)
Stock
Unit of Length M
DC 0.3
DCON 4
DN 0.27
BHTA2 12°
LF 45
LU 2
APMX 0.4
FHA 30°
Peripheral effective cutting edge count: ZEFP 2
Max. Cutting EdgeDiameter Tolerance 0
Min. Cutting EdgeDiameter Tolerance -0.01
Coated MS
2D Model (DXF)
CAD data name Download
MS2XLD0030N020
CAD

3D Light Model (STP,STL)
CAD data name Download
MS2XLD0030N020
CAD

Stock

:Inventory maintained in Japan.
:Non stock, produced to order only.
:Inventory maintained in Japan. To be replaced by new products.
:-

Return to TOP

This website uses cookies in order to improve your experience and keep your session. By clicking on the 'I understand and accept' button on this page you consent the usage of cookies and accept our Privacy Policy .