Solid End Mills >VFSDRB >VFSDRBD0400R030

Solid End Mills

VFSDRB
(Corner radius, Short cut length, 6 flute, For hardened materials)

VFSDRBD0400R030

Product Information

  • 6 flute end mill with Impact Miracle coating for high hardened materials.

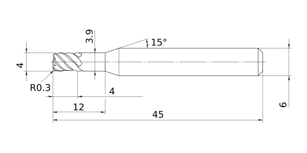
The actual product may differ from the displayed image.
For details, please check the dimensions below.

Type   [Expand ]

Type   [Expand ]

Diameter (Unit)
Stock
Unit of Length M
DC 4
DCON 6
DN 3.9
BHTA2 15°
LF 45
LU 12
APMX 4
FHA 45°
RE 0.3
Peripheral effective cutting edge count: ZEFP 6
Max. Cutting EdgeDiameter Tolerance 0
Min. Cutting EdgeDiameter Tolerance -0.02
Coated VF
2D Model (DXF)
CAD data name Download
VFSDRBD0400R030
CAD

3D Light Model (STP,STL)
CAD data name Download
VFSDRBD0400R030
CAD CAD

Stock

:Inventory maintained in Japan.
:Non stock, produced to order only.
:Inventory maintained in Japan. To be replaced by new products.
:-

Return to TOP

This website uses cookies in order to improve your experience and keep your session. By clicking on the 'I understand and accept' button on this page you consent the usage of cookies and accept our Privacy Policy .