Solid End Mills >iMX_C4HV >IMX10C4HV100R15010

Solid End Mills

iMX_C4HV
(Corner radius head, 4 flute, Irregular helix)

IMX10C4HV100R15010

Product Information

  • Vibration control corner radius type achieves stable machining of difficult-to-cut materials and is suitable for long overhang applications due to the irregular helix.
  • The fastening size of the holder and head should be the same.

The actual product may differ from the displayed image.
For details, please check the dimensions below.

Type   [Expand ]

Type   [Expand ]

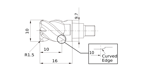
Diameter (Unit)
Name of Grade Carbide
Grade EP7020
Stock
Unit of Length M
DC 10
DCON 9.7
LH 16
APMX 10
FHA 42°,45°
RE 1.5
Peripheral effective cutting edge count: ZEFP 4
R Tolerance - -0.02
R Tolerance + 0.02
Max. Cutting EdgeDiameter Tolerance 0
Min. Cutting EdgeDiameter Tolerance -0.02
2D Model (DXF)
CAD data name Download
IMX10C4HV100R15010
CAD

3D Light Model (STP,STL)
CAD data name Download
IMX10C4HV100R15010
CAD CAD

Stock

:Inventory maintained in Japan.
:Non stock, produced to order only.
:Inventory maintained in Japan. To be replaced by new products.
:-

Return to TOP

This website uses cookies in order to improve your experience and keep your session. By clicking on the 'I understand and accept' button on this page you consent the usage of cookies and accept our Privacy Policy .