Solid End Mills >iMX_C6HV >IMX10C6HV100R10010

Solid End Mills

iMX_C6HV
(Corner radius head, Multi-flute, Irregular helix)

IMX10C6HV100R10010

Product Information

  • High machining efficiency due to multi-flute design.
  • Irregular helix controls vibration and achieves stable machining.

The actual product may differ from the displayed image.
For details, please check the dimensions below.

Type   [Expand ]

Type   [Expand ]

Diameter (Unit)
Name of Grade Carbide
Grade EP7020
Stock
Unit of Length M
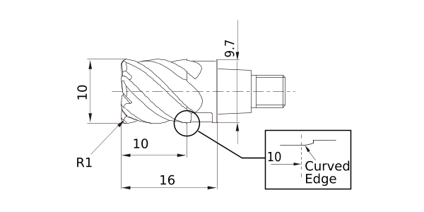
DC 10
DCON 9.7
LH 16
APMX 10
FHA 43.5°,45°
RE 1
Peripheral effective cutting edge count: ZEFP 6
R Tolerance - -0.02
R Tolerance + 0.02
Max. Cutting EdgeDiameter Tolerance 0
Min. Cutting EdgeDiameter Tolerance -0.02
2D Model (DXF)
CAD data name Download
IMX10C6HV100R10010
CAD

3D Light Model (STP,STL)
CAD data name Download
IMX10C6HV100R10010
CAD CAD

Stock

:Inventory maintained in Japan.
:Non stock, produced to order only.
:Inventory maintained in Japan. To be replaced by new products.
:-

Return to TOP

This website uses cookies in order to improve your experience and keep your session. By clicking on the 'I understand and accept' button on this page you consent the usage of cookies and accept our Privacy Policy .