Solid End Mills >iMX_S4HV >IMX12S4HV14014

Solid End Mills

iMX_S4HV
(Square head, 4 flute, Irregular helix)

IMX12S4HV14014

Product Information

  • Irregular helix controls vibration and achieves stable machining even when machining of difficult-to-cut materials and for applications with a long overhang.

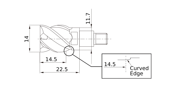
The actual product may differ from the displayed image.
For details, please check the dimensions below.

Type   [Expand ]

Type   [Expand ]

Diameter (Unit)
Name of Grade Carbide
Grade EP7020
Stock
Unit of Length M
DC 14
DCON 11.7
LH 22.5
APMX 14.5
FHA 42°,45°
Peripheral effective cutting edge count: ZEFP 4
Max. Cutting EdgeDiameter Tolerance 0
Min. Cutting EdgeDiameter Tolerance -0.03
2D Model (DXF)
CAD data name Download
IMX12S4HV14014
CAD

3D Light Model (STP,STL)
CAD data name Download
IMX12S4HV14014
CAD CAD

Stock

:Inventory maintained in Japan.
:Non stock, produced to order only.
:Inventory maintained in Japan. To be replaced by new products.
:-

Return to TOP

This website uses cookies in order to improve your experience and keep your session. By clicking on the 'I understand and accept' button on this page you consent the usage of cookies and accept our Privacy Policy .