Solid End Mills >iMX_C8T_C >IMX10C8T080R05T080C

Solid End Mills

iMX_C8T_C
(Corner radius, Taper head, Multi-flute, with coolant hole)

IMX10C8T080R05T080C

Product Information

  • Suitable for 3-dimensional free-form surface cutting such as blades.
  • High feed cutting is possible due to multiple cutting and wide chip pocket.

The actual product may differ from the displayed image.
For details, please check the dimensions below.

Type   [Expand ]

Type   [Expand ]

Diameter (Unit)
Name of Grade Carbide
Grade EP7020
Stock
Unit of Length M
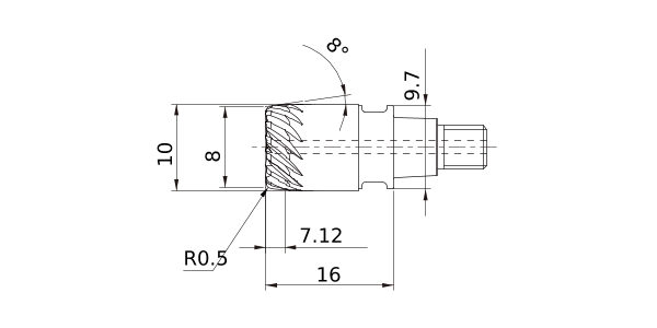
DC 8
DCX 10
DCON 9.7
BHTA
LH 16
APMX 7.12
FHA 35°
RE 0.5
Peripheral effective cutting edge count: ZEFP 8
R Tolerance - -0.015
R Tolerance + 0.015
Max. Cutting EdgeDiameter Tolerance 0
Min. Cutting EdgeDiameter Tolerance -0.02
2D Model (DXF)
CAD data name Download
IMX10C8T080R05T080C
CAD

3D Light Model (STP,STL)
CAD data name Download
IMX10C8T080R05T080C
CAD CAD

Stock

:Inventory maintained in Japan.
:Non stock, produced to order only.
:Inventory maintained in Japan. To be replaced by new products.
:-

Return to TOP

This website uses cookies in order to improve your experience and keep your session. By clicking on the 'I understand and accept' button on this page you consent the usage of cookies and accept our Privacy Policy .