Solid End Mills

VFFDRB
(Duplex corner radius end mill, Short cut length, 4-6 flute)

VFFDRBD1200

Product Information

  • High feed rate possible due to the duplex corner radius geometry.
  • Multi-flutes enable high feed machining.

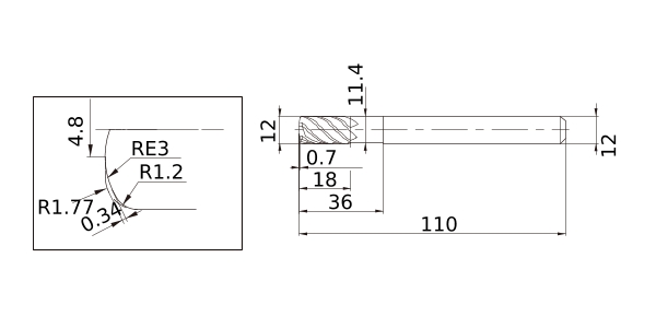
The actual product may differ from the displayed image.
For details, please check the dimensions below.

Type   [Expand ]

Type   [Expand ]

Diameter (Unit)
Stock
Unit of Length M
A3 18
DC 12
DCON 12
DCIN 4.8
DN 11.4
RMPX 1.8°
LF 110
LU 36
S10 0.34
APMX 0.7
FHA 40°
RE1 1.77
RE2 1.2
Peripheral effective cutting edge count: ZEFP 6
Max. Cutting EdgeDiameter Tolerance 0
Min. Cutting EdgeDiameter Tolerance -0.02
Coated VF
2D Model (DXF)
CAD data name Download
VFFDRBD1200
CAD

3D Light Model (STP,STL)
CAD data name Download
VFFDRBD1200
CAD CAD

Stock

:Inventory maintained in Japan.
:Non stock, produced to order only.
:Inventory maintained in Japan. To be replaced by new products.
:-

Return to TOP

This website uses cookies in order to improve your experience and keep your session. By clicking on the 'I understand and accept' button on this page you consent the usage of cookies and accept our Privacy Policy .