Solid End Mills >VQ4WB >VQ4WBR0250N12E280

Solid End Mills

VQ4WB
(MULTI-FUNCTIONAL LOLLIPOP, SHORT CUT LENGTH,4 FLUTE)

VQ4WBR0250N12E280

Product Information

  • Multi-functional ball end mill with a lollipop geometry for 5-axis machining.
  • Optimal for back deburring, undercutting and inner curved surface machining.

The actual product may differ from the displayed image.
For details, please check the dimensions below.

Type   [Expand ]

Type   [Expand ]

Diameter (Unit)
Stock
Unit of Length M
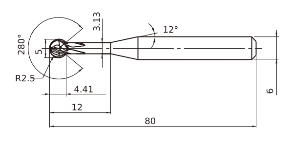
DC 5
DCON 6
DN 3.13
BHTA2 12°
LF 80
LU 12
APMX 4.41
RE 2.5
Peripheral effective cutting edge count: ZEFP 4
R Tolerance - -0.01
R Tolerance + 0.01
Coated VQ
2D Model (DXF)
CAD data name Download
VQ4WBR0250N12E280
CAD

3D Detail Model (STP,STL)
CAD data name Download
VQ4WBR0250N12E280
CAD

Stock

:Inventory maintained in Japan.
:Non stock, produced to order only.
:Inventory maintained in Japan. To be replaced by new products.
:-

Return to TOP

This website uses cookies in order to improve your experience and keep your session. By clicking on the 'I understand and accept' button on this page you consent the usage of cookies and accept our Privacy Policy .