Solid End Mills >A3SARB >A3SARB120R200N36C

Solid End Mills

A3SARB
(Corner radius end mill, Short cut length, with multiple internal through coolant holes, 3 flute)

A3SARB120R200N36C

Product Information

  • Stability and reliability even when slotting, ramping and plunging.
  • The cross sectional geometry of the flutes is perfect for efficient chip discharge.

The actual product may differ from the displayed image.
For details, please check the dimensions below.

Type   [Expand ]

Type   [Expand ]

Diameter (Unit)
Stock
Unit of Length M
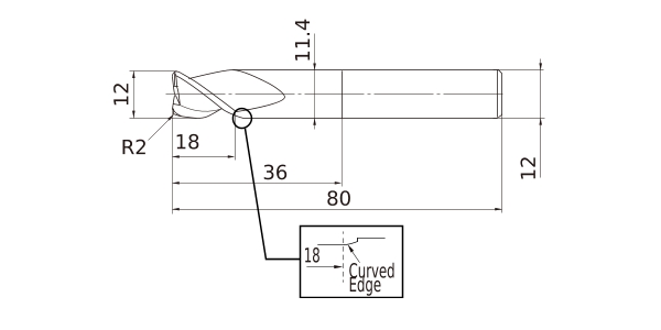
DC 12
DCON 12
DN 11.4
LF 80
LU 36
APMX 18
FHA 37.5°
RE 2
Peripheral effective cutting edge count: ZEFP 3
Max. Cutting EdgeDiameter Tolerance 0
Min. Cutting EdgeDiameter Tolerance -0.02
2D Model (DXF)
CAD data name Download
A3SARB120R200N36C
CAD

3D Light Model (STP,STL)
CAD data name Download
A3SARB120R200N36C
CAD

Stock

:Inventory maintained in Japan.
:Non stock, produced to order only.
:Inventory maintained in Japan. To be replaced by new products.
:-

Return to TOP

This website uses cookies in order to improve your experience and keep your session. By clicking on the 'I understand and accept' button on this page you consent the usage of cookies and accept our Privacy Policy .