Spare Parts >GYAR20K90A-E06

Spare Parts

GYAR20K90A-E06

Product Information

The actual product may differ from the displayed image.
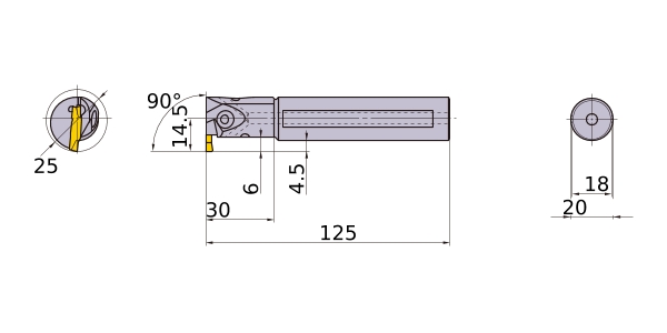
For details, please check the dimensions below.

Type   [Expand ]

Type   [Expand ]

Diameter (Unit)
Hand R
Stock
Unit of Length M
DMIN 25
DCON 20
LF 125
CDX 6
LDRED 30
WF 14.5
H 18
CW 2.5
WF2 4.5
2D Model (DXF)
CAD data name Download
6E2R9E1
CAD

3D Detail Model (STP,STL)
CAD data name Download
GYAR20K90A-E06
CAD

Stock

:Inventory maintained in Japan.
:Non stock, produced to order only.
:Inventory maintained in Japan. To be replaced by new products.
:-

Return to TOP

This website uses cookies in order to improve your experience and keep your session. By clicking on the 'I understand and accept' button on this page you consent the usage of cookies and accept our Privacy Policy .