钻头 >VAPDSSUS >VAPDSSUSD0705

钻头

VAPDSSUS
(VIOLET 涂层高精度钻头,用于钻削不锈钢(S))

VAPDSSUSD0705

产品信息

  • 采用新形状与本公司独创的VIOLET涂层,不锈钢加工中可实现高效率、长寿命。

实际产品与显示图像存在不一致情况,敬请留意。

图   [放大 ]

图   [放大 ]

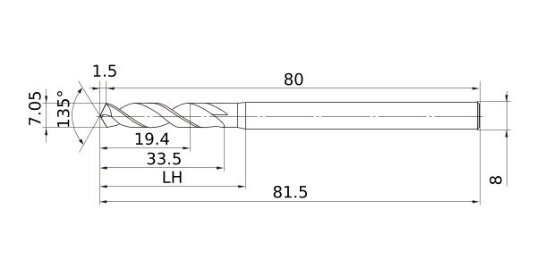
尺寸 (Unit)
库存
长度单位 M
DC 7.05
DCON 8
SIG 135°
LF 80
OAL 81.5
LU 19.4
LCF 33.5
PL 1.5
Effective Cutting Edge 2
切削刃标准直径公差最大 0
切削刃标准直径公差最小 -0.022
冷却方式 外部

库存

:标准库存品
:预订生产品
:目前为标准库存品,但将来会被新产品替换的产品
:特定代理店库存品

返回页面顶部

点击本页上的“同意”按钮,即表示您同意使用cookies并接受我们的隐私政策。 本网站使用cookies来改善网站,提高顾客的使用体验,分析网站的使用状况,以便于我司的市场工作。详情请看《 个人信息保护方针 》。