面铣刀 >ASX400 >ASX400R25012K

面铣刀

ASX400
(通用一般切削用)

ASX400R25012K

产品信息

  • 采用3维曲面切削刃,切削阻力小
  • 曲面切削刃和高精度刀体
  • 高刚性刀柄
  • 可使用4个刃角,经济性好

实际产品与显示图像存在不一致情况,敬请留意。

图   [放大 ]

图   [放大 ]

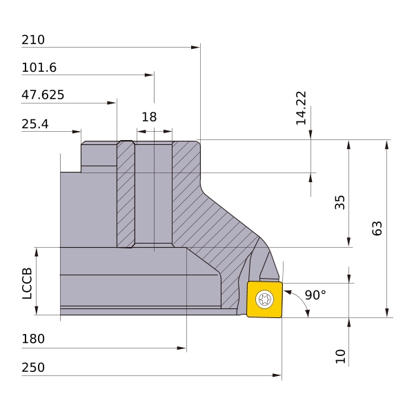
尺寸 (Unit)
切削方向 R
库存
长度单位 M
DC 250
DCON 47.625
DCSFMS 210
DAH 18
DCCB 180
KAPR 90°
L8 14.22
LF 63
CBDP 35
KWW 25.4
APMX 10
GAMP +11°
GAMF -9°
WT 12
DBC 101.6
Peripheral effective cutting edge count: ZEFP 12
RPMX 8000
2D 模型 (DXF)
CAD数据名称 下载
ASX400R25012K
CAD

3D 细节模型 (STP,STL)
CAD数据名称 下载
ASX400R25012K
CAD

3D 简易模型 (STP,STL)
CAD数据名称 RE 下载
ASX400R25012K_MR0_8
0.8 CAD CAD
ASX400R25012K_MR2
2 CAD CAD

库存

:标准库存品
:预订生产品
:目前为标准库存品,但将来会被新产品替换的产品
:特定代理店库存品

返回页面顶部

点击本页上的“同意”按钮,即表示您同意使用cookies并接受我们的隐私政策。 本网站使用cookies来改善网站,提高顾客的使用体验,分析网站的使用状况,以便于我司的市场工作。详情请看《 个人信息保护方针 》。