面铣刀 >WWX200 >WWX200R12507EA

面铣刀

WWX200
(通用一般切削用)

WWX200R12507EA

产品信息

  • 可使用6个刃角的负角型刀片,可提高生产效率并降低每个零部件的成本。
  • 刀片厚度的增加可有效防止刀片破损。
  • 多刃角、自定位的刀片可实现稳定且可靠的加工。

实际产品与显示图像存在不一致情况,敬请留意。

图   [放大 ]

图   [放大 ]

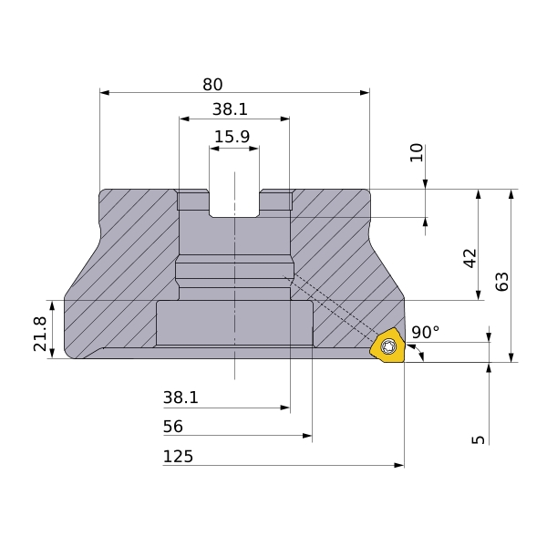
尺寸 (Unit)
切削方向 R
库存
长度单位 M
DC 125
DCON 38.1
DCSFMS 80
DAH 38.1
DCCB 56
KAPR 90°
L8 10
LF 63
CBDP 42
LCCB 21.8
KWW 15.9
APMX 5
GAMP -6°
GAMF -12°
WT 2.8
Cutting item count: CICT 7
Peripheral effective cutting edge count: ZEFP 7
RPMX 10100
2D 模型 (DXF)
CAD数据名称 下载
WWX200R12507EA
CAD

3D 细节模型 (STP,STL)
CAD数据名称 下载
WWX200R12507EA
CAD

3D 简易模型 (STP,STL)
CAD数据名称 RE 下载
WWX200R12507EA_MR0_4
0.4 CAD
WWX200R12507EA_MR0_8
0.8 CAD

库存

:标准库存品
:预订生产品
:目前为标准库存品,但将来会被新产品替换的产品
:特定代理店库存品

返回页面顶部

点击本页上的“同意”按钮,即表示您同意使用cookies并接受我们的隐私政策。 本网站使用cookies来改善网站,提高顾客的使用体验,分析网站的使用状况,以便于我司的市场工作。详情请看《 个人信息保护方针 》。