Search by:

Unit :

Drills >MWS >MWS0180SB

Drills

MWS
(WSTAR)

MWS0180SB EDP:460390

Product Information

  • For high accuracy and efficient drilling of steels, carbon steels and difficult-to-cut materials.

The actual product may differ from the displayed image.
For details, please check the dimensions below.

Type   [Outspread ]

Type   [Outspread ]

Diameter (Unit)
Name of Grade Carbide
Grade VP15TF
Sales unit 1
Stock
Unit of Length M
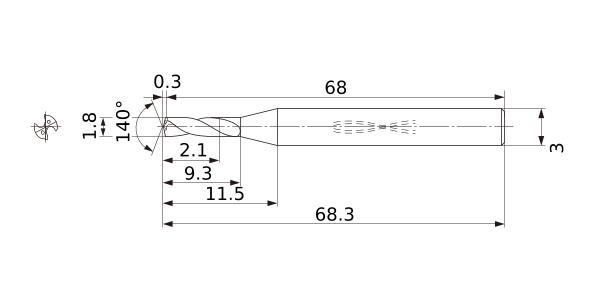
DC 1.8
DCON 3
SIG 140°
LF 68
OAL 68.3
LH 11.5
LU 2.1
LCF 9.3
FHA 30°
ld 1
PL 0.3
Effective Cutting Edge 2
Max. Cutting EdgeDiameter Tolerance 0.014
Min. Cutting EdgeDiameter Tolerance 0
Type of Coolant Internal
2D Model (DXF)
CAD data name Download
MWS0180SB
CAD

3D Light Model (STP,STL)
CAD data name Download
MWS0180SB
CAD

Stock

:Inventory maintained.
:Non stock, produced to order only.
:Inventory maintained. To be replaced by new products.
:Inventory maintained in Japan.

Return to TOP

This website uses cookies in order to improve your experience and keep your session. By clicking on the 'I understand and accept' button on this page you consent the usage of cookies and accept our Privacy Policy .