Search by:

Unit :

Indexable End Mills

WSX445_INCH
(GENERAL CUTTING)

WSX445UR4004FA20M EDP:10521281

Product Information

  • Double sided Z Geometry.
  • Smooth chip discharge.

The actual product may differ from the displayed image.
For details, please check the dimensions below.

Type   [Outspread ]

Type   [Outspread ]

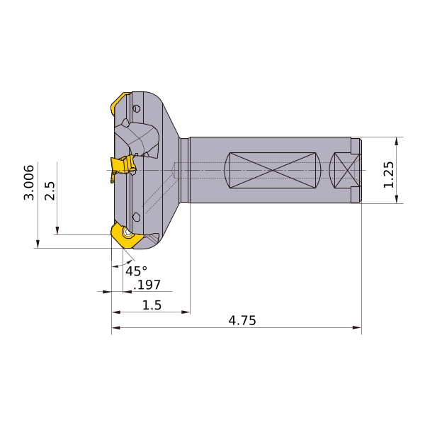
Diameter (Unit)
Sales unit 1
Hand R
Stock
Unit of Length I
DC 2.5
DCX 3.006
DCON 1.25
KAPR 45°
LF 4.75
LH 1.5
APMX .197
GAMP -6°
GAMF -10°
WT 2.469
Cutting item count: CICT 4
Peripheral effective cutting edge count: ZEFP 4
2D Model (DXF)
CAD data name Download
WSX445UR4004FA20M
CAD

3D Detail Model (STP,STL)
CAD data name Download
WSX445UR4004FA20M
CAD

3D Light Model (STP,STL)
CAD data name RE Download
WSX445UR4004FA20M_IR0_047
.047 CAD CAD

Stock

:Inventory maintained.
:Non stock, produced to order only.
:Inventory maintained. To be replaced by new products.
:Inventory maintained in Japan.

Return to TOP

This website uses cookies in order to improve your experience and keep your session. By clicking on the 'I understand and accept' button on this page you consent the usage of cookies and accept our Privacy Policy .