Search by:

Unit :

Indexable End Mills

ARP_INCH
(Round insert cutter for difficult-to-cut materials)

ARP5UPR1603FA16M EDP:10527504

Product Information

  • High runout accuracy when indexing inserts.
  • Solid clamping system.
  • Standardized stock of extra fine pitch.

The actual product may differ from the displayed image.
For details, please check the dimensions below.

Type   [Outspread ]

Type   [Outspread ]

Diameter (Unit)
Sales unit 1
Hand R
Stock
Unit of Length I
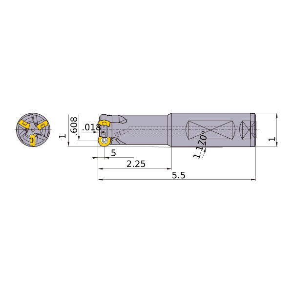
A1 .039
AZ .018
DC .608
DCX 1
DCON 1
B2 1.170°
RMPX 1.9°
LF 5.5
LH 2.25
APMX 5
GAMP +4°
GAMF -7°
WT 0.948
Cutting item count: CICT 3
Peripheral effective cutting edge count: ZEFP 3
2D Model (DXF)
CAD data name Download
ARP5UPR1603FA16M
CAD

3D Detail Model (STP,STL)
CAD data name Download
ARP5UPR1603FA16M
CAD

3D Light Model (STP,STL)
CAD data name RE Download
ARP5UPR1603FA16M_IR0_197
.197 CAD CAD

Stock

:Inventory maintained.
:Non stock, produced to order only.
:Inventory maintained. To be replaced by new products.
:Inventory maintained in Japan.

Return to TOP

This website uses cookies in order to improve your experience and keep your session. By clicking on the 'I understand and accept' button on this page you consent the usage of cookies and accept our Privacy Policy .