Search by:

Unit :

Indexable End Mills >ARP_INCH >ARP6UPR2404AM1640

Indexable End Mills

ARP_INCH
(Round insert cutter for difficult-to-cut materials)

ARP6UPR2404AM1640 EDP:10550748

Product Information

  • High runout accuracy when indexing inserts.
  • Solid clamping system.
  • Standardized stock of extra fine pitch.

The actual product may differ from the displayed image.
For details, please check the dimensions below.

Type   [Outspread ]

Type   [Outspread ]

Diameter (Unit)
Sales unit 1
Hand R
Stock
Unit of Length I
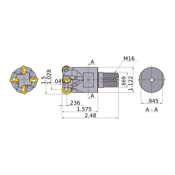
A1 .098
AZ .045
DC 1.028
DCX 1.5
DCON .669
DCSFMS 1.122
LF 1.575
OAL 2.48
S10 .945
APMX .236
GAMP +4°
GAMF -6°
WT 0.441
CRKS M16
Cutting item count: CICT 4
Peripheral effective cutting edge count: ZEFP 4
2D Model (DXF)
CAD data name Download
ARP6UPR2404AM1640
CAD

3D Detail Model (STP,STL)
CAD data name Download
ARP6UPR2404AM1640
CAD

3D Light Model (STP,STL)
CAD data name RE Download
ARP6UPR2404AM1640_IR0_236
.236 CAD CAD

Stock

:Inventory maintained.
:Non stock, produced to order only.
:Inventory maintained. To be replaced by new products.
:Inventory maintained in Japan.

Return to TOP

This website uses cookies in order to improve your experience and keep your session. By clicking on the 'I understand and accept' button on this page you consent the usage of cookies and accept our Privacy Policy .