Search by:

Unit :

Indexable End Mills

VPX200_LONG_INCH
(Multi-functional Cutter for High Efficiency Machining)

VPX200UR223FA20S1112 EDP:10628270

METRIC Products
Shape Series Geometry Tooling Sheet Cutter Body Type Feature Structure
VPX200 Square (With Center Hole)  
  • Standard
  • Long
  • By arranging the inserts tangentially, high holder rigidity is secured.
  • Different types of milling cover a wide variety of situations.
Indexable
VPX200_LONG Square (With Center Hole Long Cut Length)  
  • Long cutting edge
  • By arranging the inserts tangentially, high holder rigidity is secured.
  • Different types of milling cover a wide variety of situations.
Indexable
VPX200_SCREW-IN Square (With Center Hole)  
  • Screw in
  • By arranging the inserts tangentially, high holder rigidity is secured.
  • Different types of milling cover a wide variety of situations.
Indexable
VPX200_SHELL_MM Square (With Center Hole Long Cut Length)  
  • Shell
  • By arranging the inserts tangentially, high holder rigidity is secured.
  • Different types of milling cover a wide variety of situations.
Indexable

Product Information

  • By arranging the inserts tangentially, high holder rigidity is secured.
  • Different types of milling cover a wide variety of situations.

The actual product may differ from the displayed image.
For details, please check the dimensions below.

Type   [Outspread ]

Type   [Outspread ]

Diameter (Unit)
Sales unit 1
Hand R
Stock
Unit of Length I
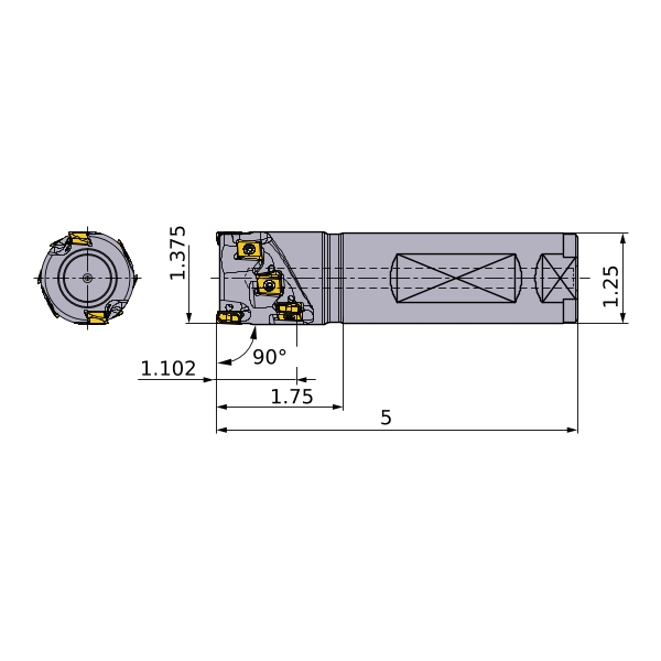
DC 1.375
DCON 1.25
KAPR 90°
RMPX 0.64°
LF 5
LH 1.75
APMX 1.102
GAMP -8°
GAMF -31°
WT 1.587
Cutting item count: CICT 12
Peripheral effective cutting edge count: ZEFP 3
Face effective cutting edge count: ZEFF 3
2D Model (DXF)
CAD data name Download
VPX200UR223FA20S1112
CAD

3D Detail Model (STP,STL)
CAD data name Download
VPX200UR223FA20S1112
CAD

3D Light Model (STP,STL)
CAD data name RE Download
VPX200UR223FA20S1112_IR0_008
.008 CAD
VPX200UR223FA20S1112_IR0_016
.016 CAD
VPX200UR223FA20S1112_IR0_031
.031 CAD
VPX200UR223FA20S1112_IR0_039
.039 CAD
VPX200UR223FA20S1112_IR0_047
.047 CAD
VPX200UR223FA20S1112_IR0_063
.063 CAD

Stock

:Inventory maintained.
:Non stock, produced to order only.
:Inventory maintained. To be replaced by new products.
:Inventory maintained in Japan.

Return to TOP

This website uses cookies in order to improve your experience and keep your session. By clicking on the 'I understand and accept' button on this page you consent the usage of cookies and accept our Privacy Policy .