Search by:

Unit :

Face Cutter >BRP_INCH >BRP6UPR1503X

Face Cutter

BRP6_INCH
 

BRP6UPR1503X EDP:504858

Product Information

  • Round shape insert gives strong cutting edge.
  • Multi functional milling.
  • Suitable for roughing of molds and dies.
  • 11°positive insert.

The actual product may differ from the displayed image.
For details, please check the dimensions below.

Type   [Outspread ]

Type   [Outspread ]

Diameter (Unit)
Sales unit 1
Hand R
Stock
Unit of Length I
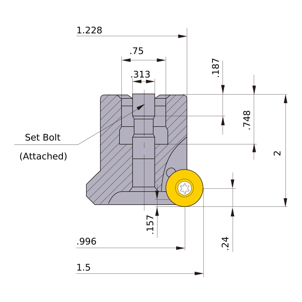
AZ .157
DC .996
DCX 1.5
DCON .75
DCSFMS 1.228
L8 .187
LF 2
CBDP .748
KWW .313
APMX .24
GAMP +5°
GAMF -4°
Peripheral effective cutting edge count: ZEFP 3
2D Model (DXF)
CAD data name Download
BRP6UPR1503X
CAD

3D Detail Model (STP,STL)
CAD data name Download
BRP6UPR1503X
CAD

3D Light Model (STP,STL)
CAD data name DC Download
BRP6UPR1503X_ID0_5
.5 CAD CAD

Stock

:Inventory maintained.
:Non stock, produced to order only.
:Inventory maintained. To be replaced by new products.
:Inventory maintained in Japan.

Return to TOP

This website uses cookies in order to improve your experience and keep your session. By clicking on the 'I understand and accept' button on this page you consent the usage of cookies and accept our Privacy Policy .