Search by:

Unit :

Face Cutter

AHX640W_INCH
(HIGH FEED CUTTING FOR CAST IRON)

AHX640WR0820M EDP:504962

METRIC Products
Shape Series Tooling Sheet Feature Cutting Edge Angle
AHX640W
  • Heptagonal double-sided insert.
  • Economical 14 corner use.
  • Fine pitch design allows high feed milling.
AHX640W_MM
  • Heptagonal double-sided insert.
  • Economical 14 corner use.
  • Fine pitch design allows high feed milling.

Product Information

  • Economical 14 corner use.
  • Fine pitch design allows high feed milling.
  • Heptagonal double-sided insert.

The actual product may differ from the displayed image.
For details, please check the dimensions below.

Type   [Outspread ]

Type   [Outspread ]

Diameter (Unit)
Sales unit 1
Hand R
Stock
Unit of Length I
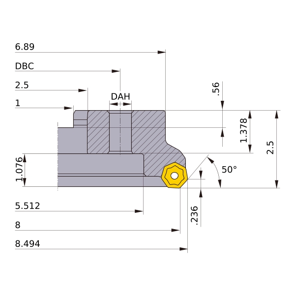
DC 8
DCX 8.494
DCON 2.5
DCSFMS 6.89
DCCB 5.512
KAPR 50°
L8 .56
LF 2.5
CBDP 1.378
LCCB 1.076
KWW 1
APMX .236
GAMP -6°
GAMF -4°
WT 19.6
Peripheral effective cutting edge count: ZEFP 20
2D Model (DXF)
CAD data name Download
AHX640WR0820M
CAD

3D Detail Model (STP,STL)
CAD data name Download
AHX640WR0820M
CAD

3D Light Model (STP,STL)
CAD data name RE Download
AHX640WR0820M_IR0_031
.031 CAD CAD

Stock

:Inventory maintained.
:Non stock, produced to order only.
:Inventory maintained. To be replaced by new products.
:Inventory maintained in Japan.

Return to TOP

This website uses cookies in order to improve your experience and keep your session. By clicking on the 'I understand and accept' button on this page you consent the usage of cookies and accept our Privacy Policy .