Search by:

Unit :

Face Cutter >AXD4000_INCH >AXD4000UR2504CB

Face Cutter

AXD4000_INCH
(For Aluminum Alloy)

AXD4000UR2504CB EDP:577731

METRIC Products
Shape Series Tooling Sheet Feature Cutting Edge Angle
AHX640W
  • Heptagonal double-sided insert.
  • Economical 14 corner use.
  • Fine pitch design allows high feed milling.
AHX640W_MM
  • Heptagonal double-sided insert.
  • Economical 14 corner use.
  • Fine pitch design allows high feed milling.

Product Information

  • High spindle speeds possible.
  • Low resistance inserts.
  • Multi functional milling.
  • High spindle speeds possible.
  • Excellent wall accuracy.

The actual product may differ from the displayed image.
For details, please check the dimensions below.

Type   [Outspread ]

Type   [Outspread ]

Diameter (Unit)
Sales unit 1
Hand R
Stock
Unit of Length I
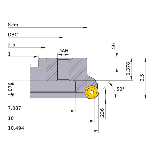
DC 2.5
DCON 1
DCSFMS 2.19
DAH .539
DCCB .787
KAPR 90°
L8 .219
LF 2
CBDP .984
KWW .375
APMX .583
GAMP +15°
GAMF +24°
WT 1.4
Peripheral effective cutting edge count: ZEFP 4
RPMX 30000
2D Model (DXF)
CAD data name Download
AHX640WR1036M
CAD

3D Detail Model (STP,STL)
CAD data name Download
AHX640WR1036M
CAD

3D Light Model (STP,STL)
CAD data name RE Download
AHX640WR1036M_IR0_031
.031 CAD CAD

Stock

:Inventory maintained.
:Non stock, produced to order only.
:Inventory maintained. To be replaced by new products.
:Inventory maintained in Japan.

Return to TOP

This website uses cookies in order to improve your experience and keep your session. By clicking on the 'I understand and accept' button on this page you consent the usage of cookies and accept our Privacy Policy .