Search by:

Unit :

Face Cutter >WSX445 >WSX445R08006CA

Face Cutter

WSX445
(GENERAL CUTTING)

WSX445R08006CA EDP:829361

Product Information

  • Double sided Z Geometry.
  • Smooth chip discharge.

The actual product may differ from the displayed image.
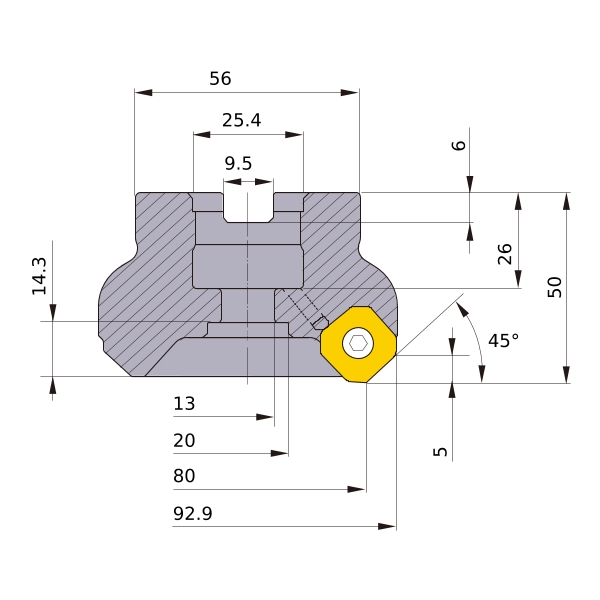
For details, please check the dimensions below.

Type   [Outspread ]

Type   [Outspread ]

Diameter (Unit)
Sales unit 1
Hand R
Stock
Unit of Length M
DC 80
DCX 92.9
DCON 25.4
DCSFMS 56
DAH 13
DCCB 20
KAPR 45°
L8 6
LF 50
CBDP 26
LCCB 14.3
KWW 9.5
APMX 5
GAMP -6°
GAMF -10°
WT 1.21
Peripheral effective cutting edge count: ZEFP 6
2D Model (DXF)
CAD data name Download
WSX445R08006CA
CAD

3D Detail Model (STP,STL)
CAD data name Download
WSX445R08006CA
CAD

3D Light Model (STP,STL)
CAD data name RE Download
WSX445R08006CA_MR1_2
1.2 CAD CAD

Stock

:Inventory maintained.
:Non stock, produced to order only.
:Inventory maintained. To be replaced by new products.
:Inventory maintained in Japan.

Return to TOP

This website uses cookies in order to improve your experience and keep your session. By clicking on the 'I understand and accept' button on this page you consent the usage of cookies and accept our Privacy Policy .